Produktai
Nerūdijančio plieno flanšinis gaubtinis vožtuvas
  • Nerūdijančio plieno flanšinis gaubtinis vožtuvasNerūdijančio plieno flanšinis gaubtinis vožtuvas

Nerūdijančio plieno flanšinis gaubtinis vožtuvas

Aukštos kokybės J41H, J41Y ir J41W nerūdijančio plieno flanšiniai rutuliniai vožtuvai, pagaminti JQF Valve gamykloje, yra cilindrinių vožtuvų atidarymo ir uždarymo komponentai. Sandarinimo paviršius yra plokščias arba kūgio formos, o vožtuvas juda tiesiškai išilgai skysčio vidurinės linijos. GB sklendės tinka tik visiškai atidarytoms ir visiškai uždarytoms programoms ir paprastai nenaudojamos srautui reguliuoti. Pagal pageidavimą galimas pritaikymas reguliavimui ir droseliui.


JQF Valve yra viso proceso vožtuvų gamybos gamykla, integruojanti mokslinius tyrimus, projektavimą, gamybą, pardavimą ir aptarnavimą po pardavimo. Mūsų aukštos kokybės nerūdijančio plieno flanšinis vožtuvas yra apsauginis vožtuvas, specialiai sukurtas vamzdyno uždarymo terpėms, tokioms kaip amoniakas ir gamtinės dujos, valdyti. Jis pasižymi stabiliomis sandarinimo savybėmis, stipriu atsparumu korozijai ir lengvu valdymu. Pagaminta iš korozijai atsparių medžiagų, tokių kaip nerūdijantis plienas, tinka chemijos pramonei, sprendžiant prasto atsparumo korozijai ir lengvo įprastų vožtuvų nesandarumo problemas. Jis taip pat gali būti naudojamas srautui reguliuoti. Gamybos ir eksploatavimo valdymą organizuojame pagal GB/T19001-2000-ISO9001:2000 kokybės sistemos standartus, vadovaudamiesi principu „gaminti aukštos kokybės produktus“. Mes nuolat pristatome tarptautiniu mastu pažangias gamybos linijas ir įrangą bei nuolat kuriame naujus produktus, kad patenkintume klientų poreikius. Žvelgdami į ateitį, suteiksime jums visapusiškas paslaugas internetu ir interaktyviu bendravimu.


1. Griežtas medžiagų pasirinkimas užtikrina kokybę.
2. Nerūdijančio plieno flanšinis rutulinis vožtuvas yra atsparus dilimui, korozijai, aukštam slėgiui ir aukštai temperatūrai, turi ilgą tarnavimo laiką.
3. Jis yra lankstus montuojamas, lengvai išardomas ir pasižymi patogiu rankinio rato sukimu.
4. Nerūdijančio plieno flanšinis rutulinis vožtuvas yra atsparus vandeniui ir dulkėms, turi pagrįstą struktūrą, nepriekaištingą dizainą ir puikias sandarinimo savybes.
5. Nerūdijančio plieno flanšinis rutulinis vožtuvas daugiausia naudojamas amoniakui, kuro dujoms ir dujinėms terpėms, tokioms kaip azotas ir vandenilis, valdyti.

Įgyvendinimo standartai

Dizaino specifikacijos: GB / T 12235
Konstrukcijos ilgis: GB / T 12221
Flanšinė jungtis: JB / T 79
Bandymas ir patikra: JB / T 9002
Produkto identifikavimas: GB / T 12220
Pristatymo specifikacijos: JB / T 7928

Veikimo parametrai

modelis J41H-16C~160C J41Y-16C~160C J41W-16P~160P
Darbinis slėgis (MPa) 1,6–16,0
tinkama temperatūra (℃) ≤425 ≤150
Tinkama laikmena Vanduo, garai, aliejus Silpna korozinė terpė
medžiaga Kėbulas, gaubtas Anglies plienas Chromuotas nikelio-titano nerūdijantis plienas
Vožtuvo kotas Chromuotas nerūdijantis plienas Chromuotas nikelio-titano nerūdijantis plienas
Sandarinimo paviršius Geležies pagrindo lydiniai Kietas lydinys Korpuso medžiaga
užpildas Asbesto grafitas, lankstus grafitas, PTFE

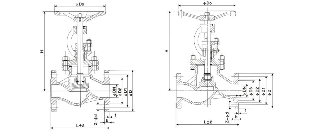
Pagrindinė forma ir jungties matmenys

Nominalus skersmuo Pagrindiniai matmenys ir jungties matmenys
L D D1 D2 b Z-d H D0
J41H-16C
15 130 95 65 45 14-2 4-Φ14 170 120
20 150 105 75 55 14-2 4-Φ14 190 140
25 160 115 85 65 14-2 4-Φ14 205 160
32 180 135 100 78 16-2 4-Φ18 270 180
40 200 145 110 85 16-3 4-Φ18 310 200
50 230 160 125 100 16-3 4-Φ18 358 240
65 290 180 145 120 18-3 4-Φ18 373 240
80 310 195 160 135 20-3 8-Φ18 435 280
100 350 215 180 155 20-3 8-Φ18 500 300
125 400 245 210 185 22-3 8-Φ18 614 320
150 480 280 240 210 24-3 8-Φ23 674 360
200 600 335 295 265 26-3 12-Φ23 811 400
250 650 405 355 320 30-3 12-Φ25 969 450
300 750 460 410 375 30-3 12-Φ25 1145 580
350 850 520 470 435 34-4 16-Φ25 1280 640
400 980 580 525 485 36-4 16-Φ30 1452 640
J41H-25C
15 130 95 65 45 16-2 4-Φ14 170 120
20 150 105 75 55 16-2 4-Φ14 190 140
25 160 115 85 65 16-2 4-Φ14 205 160
32 180 135 100 78 18-2 4-Φ18 270 180
40 200 145 110 85 18-3 4-Φ18 310 200
50 230 160 125 100 20-3 4-Φ18 358 240
65 290 180 145 120 22-3 8-Φ18 373 240
80 310 195 160 135 22-3 8-Φ18 435 280
100 350 230 190 160 24-3 8-Φ23 500 300
125 400 270 220 188 28-3 8-Φ25 614 320
150 480 300 250 218 30-3 8-Φ25 674 360
200 600 360 310 278 34-3 12-Φ25 811 400
250 650 425 370 332 36-3 12-Φ30 969 450
300 750 485 430 390 40-4 16-Φ30 1145 580
350 850 550 490 448 44-4 16-Φ34 1280 640
400 980 610 550 505 48-4 16-Φ34 1452 640

Struktūros paveikslas

Hot Tags: Nerūdijančio plieno flanšinis rutulinis vožtuvas, Kinija, pritaikytas, kokybiškas, patvarus, pažangus, gamintojas, tiekėjas, gamykla, sandėlyje
Siųsti užklausą
Kontaktinė informacija
  • Adresas

    Nr.1, North 1st Road, Stainless Steel New Town, Lecong Steel World West Road, Shunde rajonas, Foshan City, Guangdong provincija, Kinija

Jei turite klausimų apie sklendes, vožtuvus ir atbulinius vožtuvus ar kainoraštį, palikite mums savo el. laišką ir mes susisieksime per 24 valandas.

X
Naudojame slapukus siekdami pasiūlyti geresnę naršymo patirtį, analizuoti svetainės srautą ir suasmeninti turinį. Naudodamiesi šia svetaine sutinkate su mūsų slapukų naudojimu. Privatumo politika
Atmesti Priimti