Produktai
API atbulinis vožtuvas
  • API atbulinis vožtuvasAPI atbulinis vožtuvas

API atbulinis vožtuvas

Jinqiu Valve aukštos kokybės API atbuliniai vožtuvai atitinka ASME, API ir GB standartus. Įmonė, aprūpinta pažangiais CNC apdirbimo centrais ir metalo pjovimo įranga, gaminių projektavimui ir gamyboje naudoja CAD/CAM technologiją, laikydamasi ISO9001 standartų, siekdama užtikrinti API atbulinio vožtuvo dalių tikslumą ir kokybę.

„Jinqiu Valve“, profesionalus atbulinių vožtuvų gamintojas Kinijoje, mūsų API atbuliniai vožtuvai yra sukurti ir pagaminti visiškai pagal Amerikos standartus. Šie vožtuvai pasižymi estetiškai patrauklia struktūra ir pažangia technologija. API atbuliniai vožtuvai automatiškai atidaro ir uždaro vožtuvo diską pagal pačios terpės srautą, kad būtų išvengta atgalinio srauto. Jie taip pat žinomi kaip vienpusiai vožtuvai, atbuliniai vožtuvai arba atgalinio srauto vožtuvai. Pagrindinės jų funkcijos yra užkirsti kelią terpės tekėjimui atgal, neleisti siurblio ir pavaros variklio apsisukimo ir užkirsti kelią terpės nutekėjimui talpyklos viduje.


1. Atsparumas mažam srautui: kai API atbulinis vožtuvas yra visiškai atidarytas, srauto kelias beveik netrukdomas, todėl slėgis sumažėja.
2. Greitas uždarymas ir atgalinio srauto prevencija: vožtuvo disko svirties veikimas leidžia greitai reaguoti ir užsidaryti net prasidėjus atgaliniam srautui.
3. Platus pritaikymas: tinka įvairiems vamzdžių skersmenims, nuo DN50 iki DN1200 ir daugiau.

Veikimo parametrai

Serijos numeris projekto pavadinimas parametras
1 Nominalus slėgis PN (MPa) 150 LB 300 LB 600 LB 900 LB 1500 LB 2500 LB
2.0 5.0 10.0 15.0 25.0 42.0
2 Korpuso stiprumo bandymo slėgis Vardinis slėgis kambario temperatūroje 1,5 karto
3 Aukšto slėgio sandariklio bandymo slėgis Vardinis slėgis kambario temperatūroje 1,1 karto
4 Darbinis slėgis kambario temperatūroje Paspauskite ASME B16.34 slėgio ir temperatūros įvertinimą

Gaminio specifikacijos

projektavimo standartai Konstrukcijos ilgis Flanšinės jungties dydis Bandymas ir patikrinimas Slėgio ir temperatūros nuoroda
API6D / ASME B16.34 ASME B16.10 ASME B16.5 API598 / API6D ASME B16.34

Pagrindinės dalies medžiaga

Dalies pavadinimas Medžiagos pavadinimas
Kūnas A216 WCB A217 WC6 A351 CF8 A351 CF8M A351 CF3 A351 CF3M
dangtelis A216 WCB A217 WC6 A351 CF8 A351 CF8M A351 CF3 A351 CF3M
Vožtuvo plokštė A216 WCB A217 WC6 A351 CF8 A351 CF8M A351 CF3 A351 CF3M
Sandarinimo paviršius 13Cr/STL STL Kėbulas / STL Kėbulas / STL Kėbulas / STL Kėbulas / STL
Vožtuvo velenas A182 F6a A182 F11 A182 F304 A182 F316 A182 F304L A182 F316L
Tarpiklis Lankstus grafitas Lankstus grafitas Lankstus grafitas Lankstus grafitas Lankstus grafitas Lankstus grafitas
varžtas A193 B7 A193 B16 A193 B8 A193 B8M A193 B8 A193 B8M
Riešutas A194 2H A194 4 A194 8 A194 8M A194 8 A194 8M
Darbinė temperatūra -29 ~ 425 ℃ -29 ~ 540 ℃ -46 ~ 425 ℃ -46 ~ 425 ℃ -46 ~ 425 ℃ -46 ~ 425 ℃
Tinkama laikmena garai garai Silpnas korozinis Silpnas korozinis Silpnas korozinis Silpnas korozinis

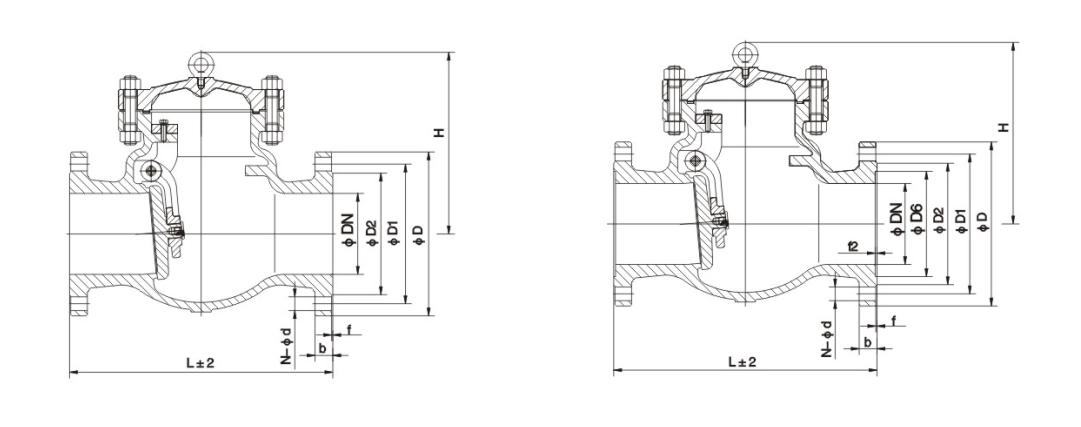
Pagrindinė forma ir jungties matmenys

Nominalus skersmuo dydis
m in L D D1 D2 b f n-Φd H
H44H-150Lb
50 2 203 152 120.5 92 16 1.6 4-19 180
80 3 241 192 152.5 127 19 1.6 4-19 190
100 4 297 229 190.5 157 24 1.6 8-19 203
125 5 330 254 216 186 24 1.6 8-22 229
150 6 356 279 241.5 216 26 1.6 8-22 257
200 8 495 342 298.5 270 29 1.6 8-22 292
250 10 622 406 362 324 31 1.6 12-25 355
300 12 698 483 432 381 32 1.6 12-25 396
H44H-300Lb
50 2 267 165 127 92 23 1.6 8-19 178
80 3 318 210 168.5 127 29 1.6 8-22 216
100 4 356 254 200 157 32 1.6 8-22 241
125 5 400 279 235 186 35 1.6 8-22 267
150 6 444 318 270 216 37 1.6 12-22 305
200 8 533 381 330 270 42 1.6 12-25 368
250 10 622 445 387 324 48 1.6 16-29 394
300 12 711 521 451 381 51 1.6 16-32 445
H44H-600Lb
50 2 295 165 127 92 33 6.4 8-19 203
80 3 359 210 168 127 36 6.4 8-22 235
100 4 435 273 216 157 45 6.4 8-25 286
125 5 511 330 266.5 186 52 6.4 8-29 292
150 6 562 356 292 216 55 6.4 12-29 330
200 8 664 419 349 270 63 6.4 12-32 381
250 10 791 510 432 324 71 6.4 16-35 457
300 12 842 559 489 381 74 6.4 20-35 584

Struktūros paveikslas

Hot Tags: API atbulinis vožtuvas, Kinija, pritaikytas, kokybiškas, patvarus, pažangus, gamintojas, tiekėjas, gamykla, sandėlyje
Siųsti užklausą
Kontaktinė informacija
  • Adresas

    Nr.1, North 1st Road, Stainless Steel New Town, Lecong Steel World West Road, Shunde rajonas, Foshan City, Guangdong provincija, Kinija

Jei turite klausimų apie sklendes, vožtuvus ir atbulinius vožtuvus ar kainoraštį, palikite mums savo el. laišką ir mes susisieksime per 24 valandas.

X
Naudojame slapukus siekdami pasiūlyti geresnę naršymo patirtį, analizuoti svetainės srautą ir suasmeninti turinį. Naudodamiesi šia svetaine sutinkate su mūsų slapukų naudojimu. Privatumo politika
Atmesti Priimti